义乌雄熊五金工具有限公司
首页
企业简介
产品大全
联系我们
企业信息
访客留言
当前位置:
首页
>
产品大全
>
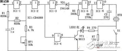
diy感应测电笔制作电路图 cd4069
diy感应测电笔制作电路图 cd4069
如若转载,请注明出处:http://www.shentong123.com/product/217.html
更新时间:2026-05-24 02:08:29
产品列表
PRODUCT
轻量化设计形态,专业级研磨体验 Barsetto百胜图电动磨豆机E6 Air 评测
诺基亚X6 8G港行版手机评测 经典设计与实用功能的完美结合
220kV高压验电器 价格、规格型号与使用方法详解
自制多功能测电笔 实用与创新的完美结合
零成本自制12V汽车检测电笔的方法
专业线材制造专家 东莞市明祥电线电子制品厂产品与服务全解析
测电笔使用技巧
撞到连续变道的车后趁机了解大灯测电笔 慢慢整备E39的实用指南
达克浩思6881金屋藏娇数码摄像头评测 性能与设计兼具
神舟新瑞R800K一体电脑产品详解与IT168图集